
5月10日,国家发改委等部门发布关于《煤炭清洁高效利用重点领域标杆水平和基准水平(2022年版)》的通知。
通知提出,对新建煤炭利用项目,应对照煤炭清洁高效利用重点领域标杆水平建设实施,推动清洁高效利用水平应提尽提,力争全面达到标杆水平。
对清洁高效利用水平低于基准水平的存量项目,引导企业有序开展煤炭清洁高效利用改造,加快推动企业减污降碳,坚决依法依规淘汰落后产能、落后工艺。
依据煤炭清洁高效利用重点领域标杆水平和基准水平,限期分批实施改造升级和淘汰。对需开展煤炭清洁高效利用改造的项目,各地应明确改造升级和淘汰时限(一般不超过3年)以及年度改造淘汰计划,在规定时限内升级到基准水平以上,力争达到标杆水平;对于不能按期改造完成的项目进行淘汰。加强煤炭清洁高效利用工艺技术装备研发和推广应用,促进形成强大国内市场。
国家发展改革委等部门关于发布《煤炭清洁高效利用重点领域标杆水平和基准水平(2022年版)》的通知
各省、自治区、直辖市、新疆生产建设兵团发展改革委、工业和信息化主管部门、生态环境厅(局)、住房和城乡建设厅(委、管委、局)、市场监管局(厅、委)、能源局:
为贯彻落实党中央、国务院决策部署,对标实现碳达峰、碳中和目标任务,推动煤炭清洁高效利用,促进煤炭消费转型升级,现发布《煤炭清洁高效利用重点领域标杆水平和基准水平(2022年版)》,并就有关事项通知如下:
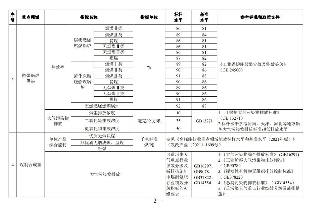
对标国内外同行业先进水平,以及国家现行政策、标准中先进能效指标值和最严格污染物排放要求,确定煤炭清洁高效利用重点领域标杆水平。坚持绿色低碳发展理念,统筹考虑实现碳达峰目标要求、促进煤炭消费转型升级、便于企业操作实施等因素,参考国家现行标准中的准入值或限定值,以及国家政策文件明确的相关指标,科学确定煤炭清洁高效利用重点领域基准水平。本文件将视行业发展和标准制修订情况进行补充完善和动态调整,适时建立包括能耗、物耗、水耗、污染物和温室气体排放水平等在内的煤炭清洁高效利用综合评价指标体系。
对新建煤炭利用项目,应对照煤炭清洁高效利用重点领域标杆水平建设实施,推动清洁高效利用水平应提尽提,力争全面达到标杆水平。对清洁高效利用水平低于基准水平的存量项目,引导企业有序开展煤炭清洁高效利用改造,加快推动企业减污降碳,坚决依法依规淘汰落后产能、落后工艺。依据煤炭清洁高效利用重点领域标杆水平和基准水平,限期分批实施改造升级和淘汰。对需开展煤炭清洁高效利用改造的项目,各地应明确改造升级和淘汰时限(一般不超过3年)以及年度改造淘汰计划,在规定时限内升级到基准水平以上,力争达到标杆水平;对于不能按期改造完成的项目进行淘汰。加强煤炭清洁高效利用工艺技术装备研发和推广应用,促进形成强大国内市场。
整合已有政策工具,加大煤炭清洁高效利用市场调节和督促落实力度。加大财政资金支持力度,重点向实施标杆水平改造的企业进行倾斜,培育煤炭清洁高效利用领军企业。加大金融支持力度,向煤炭清洁高效利用效应显著的重点项目提供高质量金融服务,落实煤炭清洁高效利用专用装备、技术改造、资源综合利用等税收优惠政策,加快企业煤炭清洁高效利用改造升级步伐,提升煤炭清洁高效利用整体水平。
各地方要充分认识推动煤炭清洁高效利用的重要意义,立足本地实际,坚持系统观念,尊重市场规律,细化工作要求,强化责任落实,加快推动煤炭清洁高效利用,助力推进清洁低碳、安全高效的能源体系建设。


